Fire Fighting System
SISTEM PEMADAM KEBAKARAN (FIRE FIGHTING SYSTEM)
Sistem pemadam kebakaran atau sistem fire fighting disediakan di gedung sebagai preventif (pencegah) terjadinya
kebakaran. Sistem ini terdiri dari sistem sprinkler, sistem hidran dan Fire
Extinguisher. Dan pada tempat-tempat tertentu digunakan juga sistem fire
gas.Tetapi pada umumnya sistem yang digunakan terdiri dari: sistem sprinkler,
hidran dan fire extinguisher.
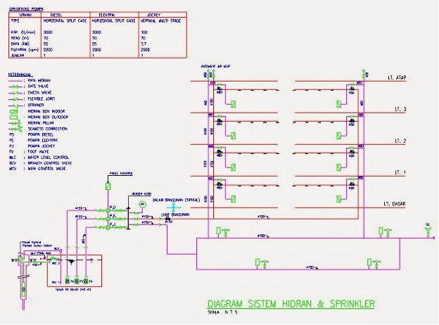
Ada 3 pompa yang digunakan dalam sistem sprinkler dan Hydran, yaitu
elektrik pump, diesel pump dan jockey pump. Jockey pump berfungsi untuk
menstabilkan tekanan di instalasi, dan secara otomatis akan bekerja apabila ada
penurunan tekanan. Dan jika ada head sprinkler yang pecah atau hydran
digunakan, maka yang bekerja secara otomatis pompa elektrik bekerja, dan secara
otomatis pula jockey pump akan berhenti bekerja. Pompa elektrik pump (atau
elektrik pump) merupakan pompa utama yang bekerja bila head sprinkler atau
hydran digunakan. Sedang pompa diesel merupakan pompa cadangan, jika pompa
elektrik gagal bekerja selama 10 detik, maka secara otomatis pompa ini akan
bekerja.
1. Fire Fighting Sistem Sprinkler
Sistem ini menggunakan instalasi pipa
sprinkler bertekanan dan head sprikler
sebagai alat utama untuk memadamkan kebakaran.
Sistem
ada 2 macam, yaitu:
a. Wet
Riser System: Seluruh instalasi pipa sprinkler berisikan air bertekanan dengan tekanan air selalu dijaga pada tekanan
yang relatif tetap.
b. Dry
riser system : Seluruh instalasi pipa sprinkler tidak berisi air bertekanan,
peralatan penyedia air akan mengalirkan air secara otomatis jika instalasi fire alar memerintahkannya.
Pada umumnya gedung bertingkat tinggi
menggunakan sistem wet riser, seluruh
pipa sprinkler berisikan air bertekanan, dengan tekanan air selalu dijaga pada
tekanan yang relatif tetap.
Apabila tekanan dalam pompa menurun, maka
secara otomatis jockey pump akan bekerja untuk menstabilkan tekanan air didalam
pipa. Jika tekanan terus menurun atau ada glass bulb head sprinkler yang pecah
maka pompa elektrik akan bekerja dan
secara otomatis pompa jockey akan berhenti. Dan apabila pompa elektrik gagal
bekerja setelah 10 detik, maka pompa cadangan diesel secara otomatis akan
bekerja.
2. Fire Fighting Sistem Hydran
Sistem ini menggunakan instalasi hydran sebagai alat utama pemadam
kebakaran, yang terdiri dari box hydran dan accesories, pilar hydran dan siemese.
Box Hydran dan accesories instalasinya (selang (hose), nozzle) (atau disebut
juga dengan Fire House cabinet (FHC)) biasanya ditempatkan dalam gedung,
sebagai antisipasi jika sistem sprinkler dan sistem fire extinguisher kewalahan
mengatasi kebakaran di dalam gedung. Sedang Pilar hydran (yang dilengkapi juga
dengan box hydran disampingnya, untuk menyimpan selang (hose) dan nozzle)
biasanya ditempatkan di area luar (jalan) disekitar gedung, digunakan jika
sistem kebakaran di dalam gedung tidak memadai lagi. Dan Siemese berfungsi
untuk mengisi air ground tank (sumber
air hydran) tidak memadai lagi atau
habis. Siemese ditempatkan di dekat di dekat jalan utama. Hal ini untuk
memudahkan dalam pengisian air.
System Hydran ini juga terdiri dari 2 system, yaitu:
a. wet riser system: Seluruh instalasi pipa hydran berisikan air
bertekanan dengan tekanan yang selalu dijaga pada tekanan yang relatif tetap.
b. Dry
Riser System: seluruh instalasi pipa hydran tidak berisikan air bertekanan,
peralatan penyedia air akan secara otomatis jika katup selang kebakaran di
buka.
Seperti halnya sistem sprinkler, jika ada tekanan dalam pipa instalasi
menurun, maka pompa jockey akan bekerja. Dan jika instalasi hydran dibuka maka
secara otomatis pompa elektrik akan bekerja, dan jockey pump secara otomatis
akan berhenti. Dan jika pompa elektrik gagal bekerja secara otomatis, maka
pompa diesel akan bekerja.

Gbr..Box Hydran & Fire Extinguisher (APAR)
3. Fire Fighting fire Extinguisher
Fire extinguisher atau lebih dikenal dengan nama APAR (Alat Pemadam Api
Ringan) merupakan alat pemadam api yang pemakaiannya dilakukan secara
manual dan langsung diarahka pada posisi dimana api berada.
Apar biasanya ditempatkan di tempat-tempat strategis yang dissuaikan
dengan peraturan Dinas Pemadam Kebakaran.
Terdapat beberapa jenis Apar yang digunakan, yaitu:
·
Apar
Type A: Murtipupuse Dry Chemical Powder 3,5 Kg
· Apar
Type B: Gas Co2 6,8 kg
· Apar
type C : Gas Co2 10 kg
· Apar
type D : Multipupuse Dry Chemical Powder 25 kg (dilengkapi dengan Trolley)
4. Fire Fighting Sistem Gas
Sistem fire gas
biasanya digunakan untuk ruangan tertentu, seperti: ruang Genset, ruang panel
dan ruangan eletronik (ruang central komputer: ruang hub dan server, IT,
Comunication dan lain-lain).
Sistem iyang digunakan biasanya sistem fire
gas terpusat, dimana tabung-tabung gas (foam, halon, FM 100, Co2 dan
lain-lain), ditempatkan secara terpusat dan pendistribusiannya ke dalam ruangan
dilewatkan melalui motorized valve / actuator, instalasi pemipaan dan nozzle.
Cara kerja sistem ini berdasarkan perintah
dari system fire alarm.

Gbr. Skematik Instalasi Hydran & Sprinkler 4 latai